内容介绍
内容介绍
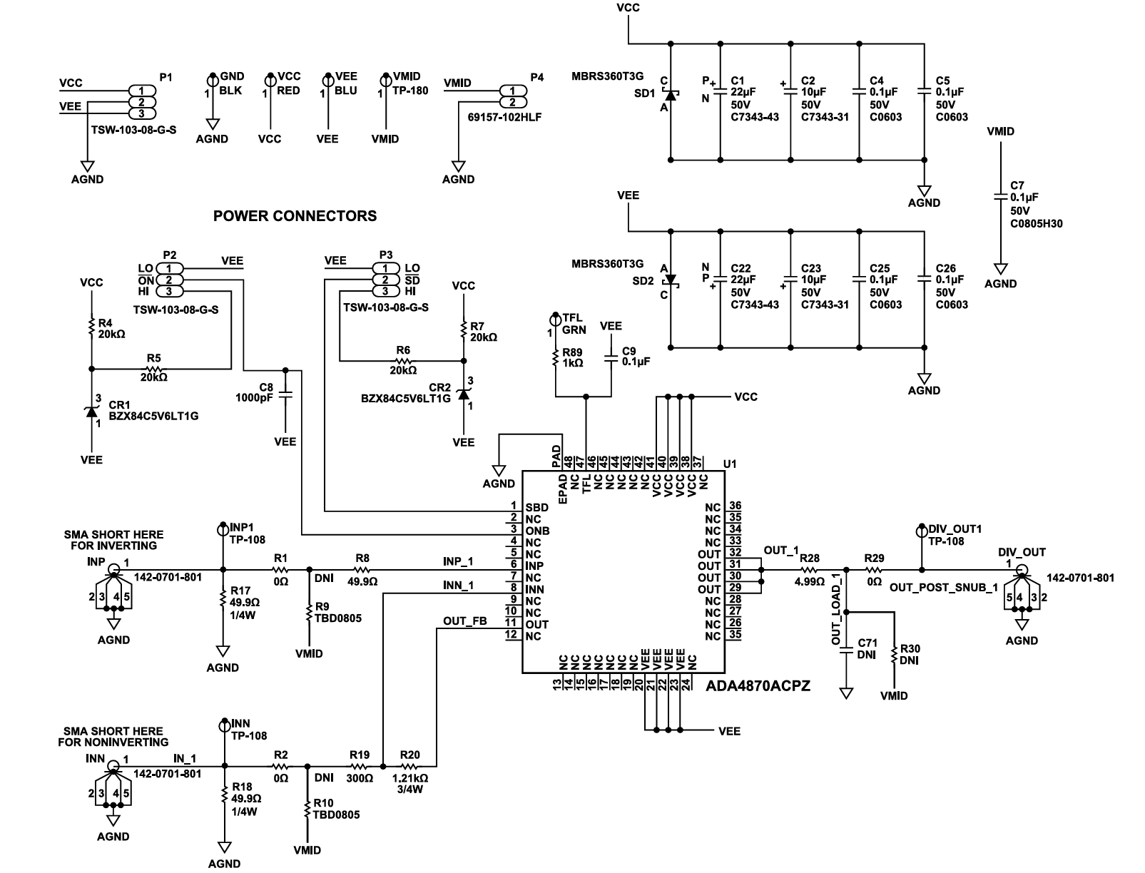
项目来源:ADA4870 评估板
ADA4870是一款单位增益稳定的高速电流反馈型放大器,设计用于40V电源下提供高达1A的输出电流。这款放大器采用了Analog Devices公司专有的高压超快速互补双极(XFCB)工艺,具备创新的架构,能够为需要高速信号处理和高输出功率的严苛应用提供解决方案。它特别适合于驱动高压功率场效应晶体管(FET)、压电传感器、PIN型固有非型(PIN)二极管以及其它多种对速度和电源电压要求高的应用场合。ADA4870的封装形式为Power SOIC,其裸露的散热垫能够提供高热导率,与印刷电路板(PCB)和散热器相结合,实现有效的热管理,增强了在严苛环境下的可靠性。该器件的工业温度工作范围为-40°C至+85°C。ADA4870ARR-EBZ评估板提供了一个平台,使得ADA4870的评估过程既快速又方便。
附件下载
UG-685 Evaluating the ADA4870 High Speed, High Output Current Amplifier.pdf
评论
0 / 100
查看更多
