内容介绍
内容介绍
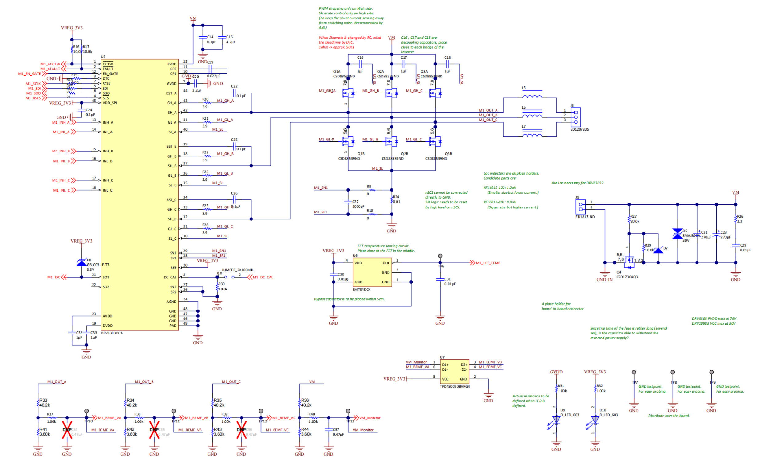
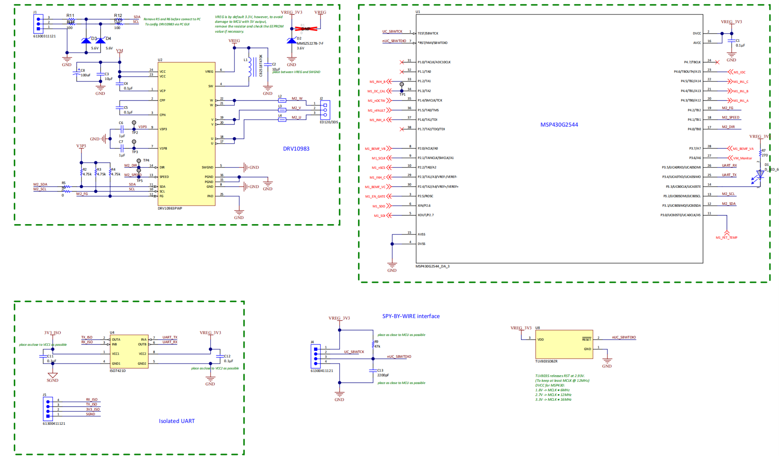
TIDA-00447 是一种 24V、双路无刷直流 (BLDC) 电机驱动参考设计,它可在洗碗机中用于驱动循环水泵和排水泵。循环水泵和排水泵驱动级设计用于分别实现 100W 和 30W 的连续运行。排水泵驱动基于带集成式功率 MOSFET 的单芯片、低外部组件计数三相电机驱动器,并可提供专有无传感器式控制方案,从而实现连续正弦波驱动。此外,它还特有一个集成降压/线性稳压器,可高效地将电源电压降至 5V 或 3.3V,从而为内部和外部电路供电。循环水泵采用带 MCU、具备保护机制与电流感应功能的外部 MOSFET 驱动器以及外部功率 MOSFET 的分离式解决方案来实现。此架构允许按需灵活地调整驱动功率级别。MCU 通过 InstaSPIN-BLDC 软件进行编程,该软件可使用反 EMF 集成方法对 BLDC 电机实现无传感器式梯形控制,同时该MCU 还可用于配置和控制排水泵级的速度。借助分离式 UART 接口,驱动单元便可与主用户界面控制器进行通信。此参考设计已通过电流和电机停止保护机制在满载运行的情况下进行全面测试。
特性
- 适用于洗碗机中各类泵的 24V 双路无刷电机驱动平台采用可实现更高安全性、无噪声运行和小型外形规格等各类内置保护功能的器件。
- 经热设计可实现高达 30W 连续运行的排水泵驱动基于带集成式功率 MOSFET 的单芯片、低外部组件计数三相电机驱动器,并可提供专有无传感器式控制方案,从而实现连续正弦波驱动。
- 排水泵控制器集成了 5V/3.3V 降压/线性转换器以及过流、电压浪涌保护、UVLO 保护和电机锁检测等保护功能。
- 经热设计可实现高达 100W 连续运行的循环水泵采用带 MCU、具备内置保护机制与电流感应放大器的外部 MOSFET 驱动器以及外部功率 MOSFET 的分离式解决方案来实现。
- 循环水泵的分离式实现可灵活增大或降低功率级别。
- MCU 通过 InstaSPIN-BLDC 软件进行编程,该软件使用反 EMF 集成方法对 BLDC 电机实现无传感器式梯形控制,而此方法可实现强大的低速运行并可更好地控制整个速度范围。
附件下载
Assembly drawing-TIDRFI2.pdf
Bill of materials (BOM)-TIDRFI1.pdf
Gerber file-TIDCAI7.zip
PCB layout-TIDRFI3.pdf
Reference Guide-ZHCU143B.pdf
Schematic-TIDRFI0.pdf
原理图PDF
全屏
评论
0 / 100
查看更多
