内容介绍
内容介绍
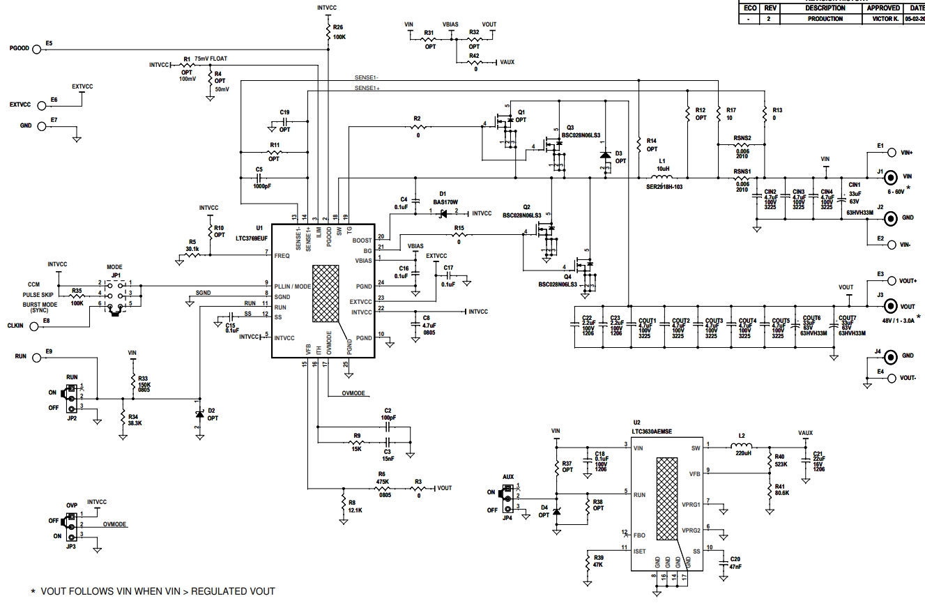
演示电路DC2173A是一款高电压、低静态电流的同步升压转换器演示板,采用了LTC3769EUF恒频电流模式同步升压控制器。该演示板能够产生高达48V的输出电压,并提供1.5A至6A的输出电流。DC2173A的设计旨在展示LTC3769在高效率电源转换中的性能。
附件下载
DC2173A - Demo Manual (Rev. B).pdf
DC2173A - Design Files.zip
DC2173A - Schematic.pdf
LTC3769 Demo Circuit - High Voltage 60V Synchronous Boost Controller (6-55V to 48V @ 1A).asc
原理图PDF
全屏
评论
0 / 100
查看更多
