内容介绍
内容介绍
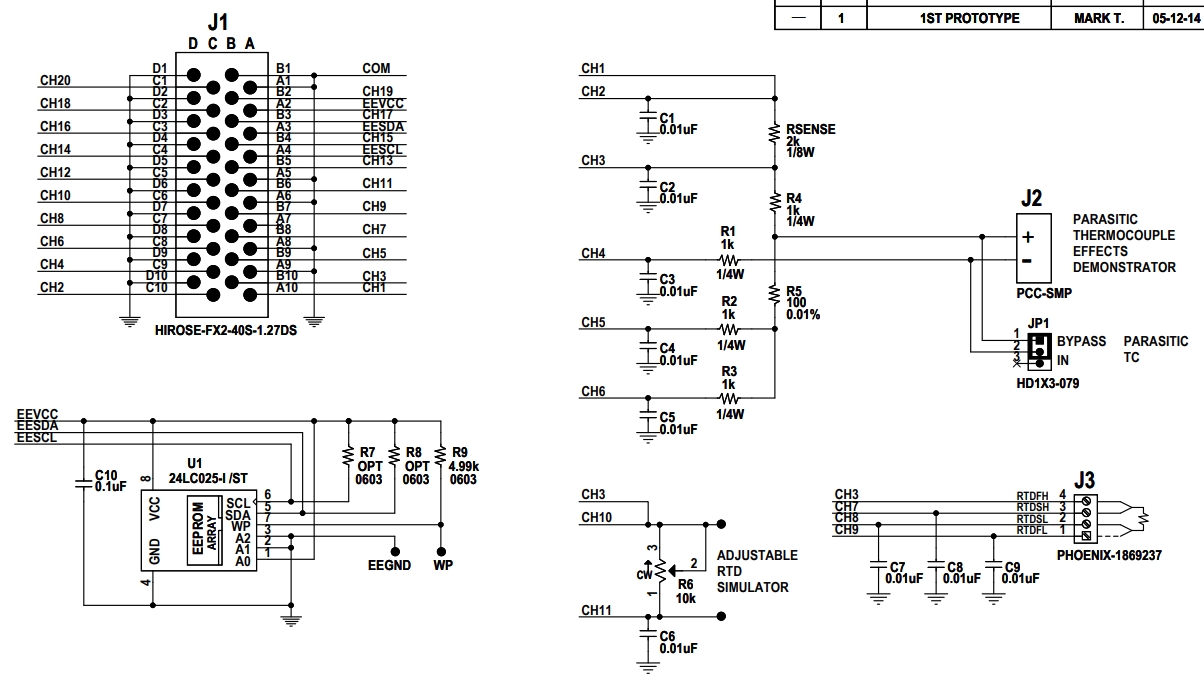
DC2213A是一款用于展示电阻温度检测器(RTD)模拟和热电偶效应的演示板。该板设计用于演示模拟信号调理技术,特别是针对具有寄生热电偶效应的RTD传感器。它包括一个可调节的RTD模拟器,允许用户模拟不同的RTD类型和条件。电路板还提供了一个专用的RTD板,以及用于存储配置数据的EEPROM阵列。
附件下载
DC2213A - Design Files.zip
DC2213A - Schematic.pdf
原理图PDF
全屏
评论
0 / 100
查看更多

DC2213A是一款用于展示电阻温度检测器(RTD)模拟和热电偶效应的演示板。该板设计用于演示模拟信号调理技术,特别是针对具有寄生热电偶效应的RTD传感器。它包括一个可调节的RTD模拟器,允许用户模拟不同的RTD类型和条件。电路板还提供了一个专用的RTD板,以及用于存储配置数据的EEPROM阵列。