内容介绍
内容介绍
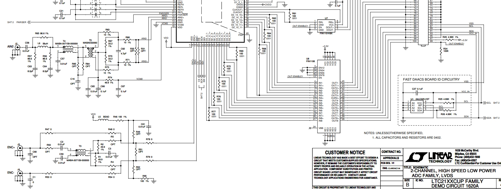
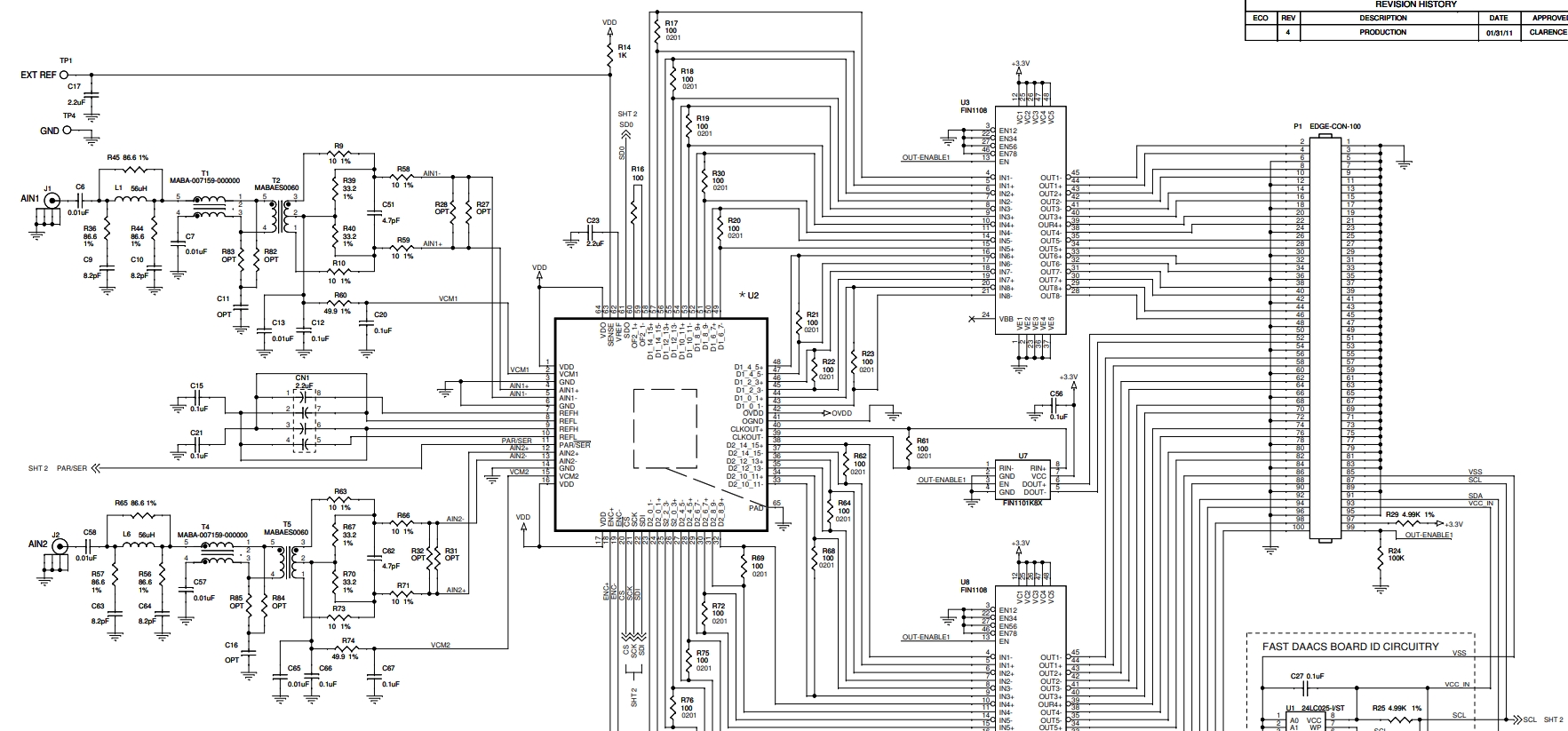
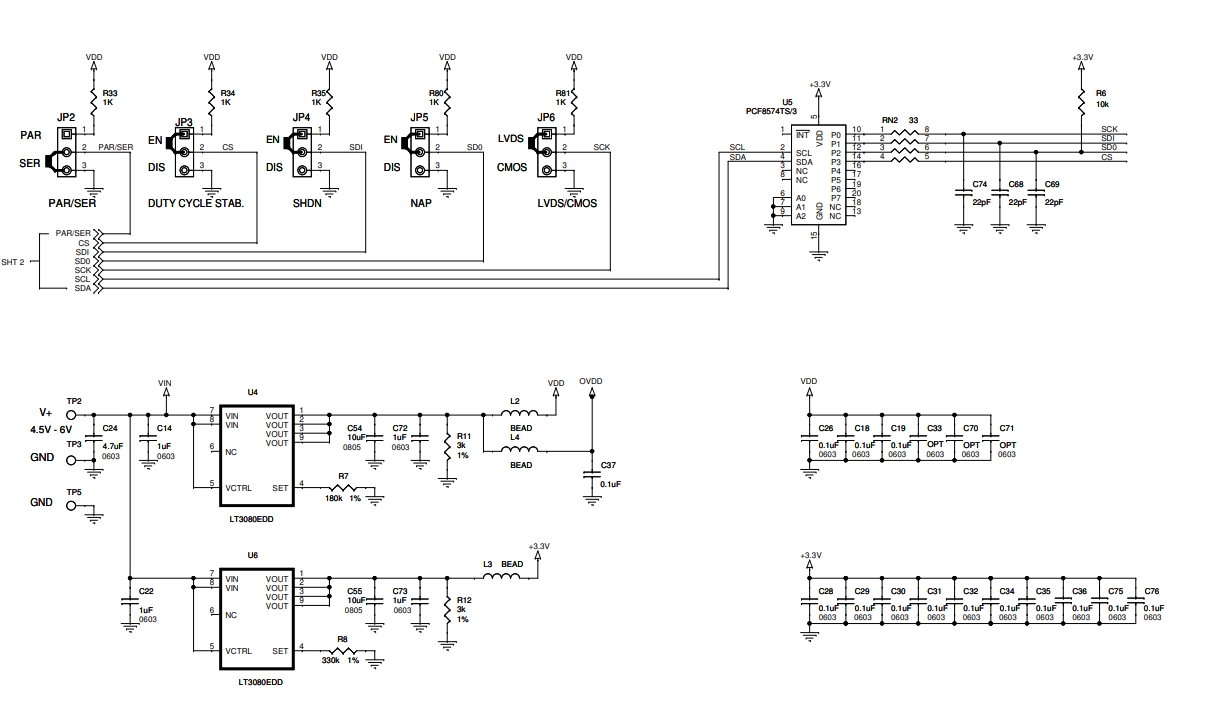
DC1620A-M是一款演示板,专为LTC2145-12 12位、125Msps的低功耗双模数转换器(ADC)设计。这款高性能的评估板适用于需要高速数据采集和低功耗的应用场景。
附件下载
原理图文件-1620asch.pdf
DC1620A - Demo Manual.pdf
DC1620A - Design Files.zip
原理图PDF
全屏
评论
0 / 100
查看更多

DC1620A-M是一款演示板,专为LTC2145-12 12位、125Msps的低功耗双模数转换器(ADC)设计。这款高性能的评估板适用于需要高速数据采集和低功耗的应用场景。