内容介绍
内容介绍
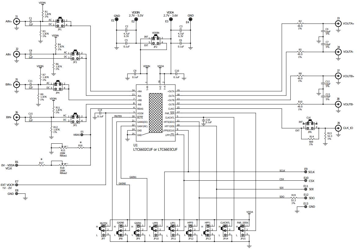
DC1304A-A是一款演示板,用于展示LTC6602和LTC6603双通道匹配、高频带通/低通滤波器的功能。该板设计用于高性能信号调理应用,允许用户根据不同的应用需求,通过跳线设置来选择不同的滤波器配置。它支持可编程的增益设置,以适应不同的信号水平。
附件下载
原理图文件-1304asch.pdf
DC1304A - Demo Manual.pdf
DC1304A - Design File.zip
原理图PDF
全屏
评论
0 / 100
查看更多

DC1304A-A是一款演示板,用于展示LTC6602和LTC6603双通道匹配、高频带通/低通滤波器的功能。该板设计用于高性能信号调理应用,允许用户根据不同的应用需求,通过跳线设置来选择不同的滤波器配置。它支持可编程的增益设置,以适应不同的信号水平。