内容介绍
内容介绍
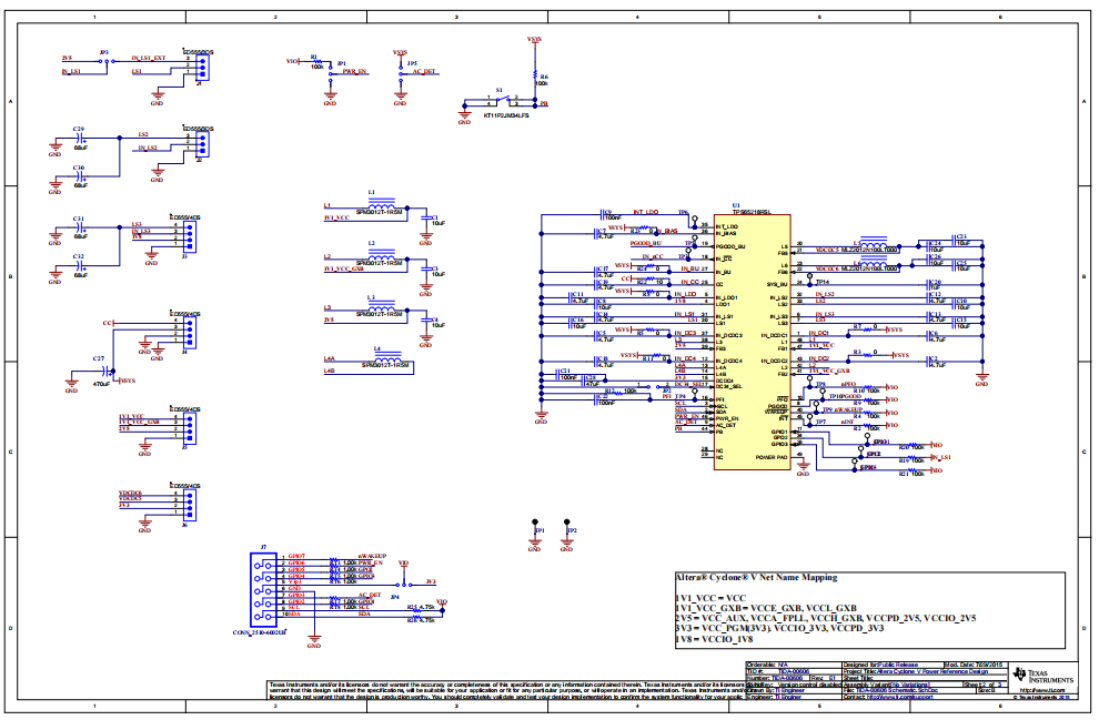
此基于 TPS65218 的参考设计是一种紧凑型集成电源解决方案,适用于 Altera? Cyclone V(E、GX、GT)SoC(属于 Cyclone 产品系列)。此设计以一体式 IC 展示了 TPS65218,用于提供为 Cyclone? V E、GX 和 GT SoC 供电所需的电源轨。包含无源组件的 TPS65218 向 Cyclone? V 提供五个电源轨时所需的总电路板面积仅为 1.594 in2。TPS65218 可以灵活地支持 DDR3L 或 DDR3 存储器。此电源管理 IC 可通过单个 5V 电源或单节锂离子电池供电。此设计已通过工业应用测试和验证(-40°C 至 105°C)。
特性
- 提供 4 个高效、可调节直流-直流转换器,带有用于为 Altera Cyclone V 供电的集成 FET
- 用于为 FPGA 上的外设电源轨或其他 IO 电源轨供电的额外的 400mA LDO,以及 3 个集成负载开关
- 带过压/欠压监控功能的内置电压监控器
- 适用于工业应用(-40°C 至 105°C)
- 此设计包括可帮助加快评估过程的测试报告、EVM 指南和设计文件
附件下载
Bill of materials (BOM)-TIDRGE3.pdf
Gerber file-TIDCAR2.zip
Schematic-TIDRGE2.pdf
原理图PDF
全屏
评论
0 / 100
查看更多
