内容介绍
内容介绍
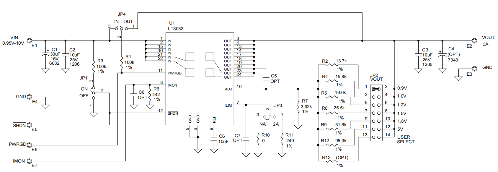
演示电路 2362A 是一款可调 3A 线性稳压器,内置 LT3033。LT3033 是一款极低压差(VLDO™)线性稳压器,采用低至 0.95V 的单输入电源供电。该器件提供 3A 输出电流,具有 95mV 典型压差。LT3033 非常适合低输入电压至低输出电压应用,可为开关调节器提供类似电效率。 LT3033 优化了稳定性和瞬态响应,具有小至 10µF 的低 ESR 陶瓷输出电容。在 10Hz 至 100kHz 带宽范围内,REF/BYP 引脚上的 10nF 旁路电容通常将输出电压噪声降至 60µVRMS。软启动时间与 REF/BYP 电容值成正比。 宽输入电压和温度范围内的 LT3033 限流特性(精确至 ±12%)可通过单个电阻进行编程。当输入至输出差分电压超过 5V 时,折返型限流可降低内部限流水平,从而可以覆盖外部可编程限流。 LT3033 具有 PWRGD 引脚,以指示 ADJ 引脚何时在其标称值的 8% 范围内。当输出降至 90.1% 的调节电压以下时,通过将外部上拉电阻从 PWRGD 连接到 IN 或 OUT 引脚,PWRGD 将被拉低。当输出电压升至 92% 的调节电压以上时,PWRGD 引脚电压将被拉高。 通过在 IMON 引脚与 GND 之间连接电阻,LT3033 可实现输出电流监控。IMON 引脚是输出 1/2650 功率 PNP 电流的 PNP 电流镜的集电极。当VIMON≤ (VOUT – 400mV)时,此电路有效。 LT3033还具有关断、电池反接保护、带迟滞的限热以及反向电流保护功能。 LT3033 可用作输出电压低至 200mV 基准电压的可调器件。该器件采用散热增强型、薄型 3mm × 4mm × 0.75mm QFN 封装。
附件下载
DC2362A - Schematic.pdf
DC2362A - Demo Manual.pdf
DC2362A - Design Files.zip
原理图PDF
全屏
评论
0 / 100
查看更多
