内容介绍
内容介绍
项目来源:ADM3055E 评估板
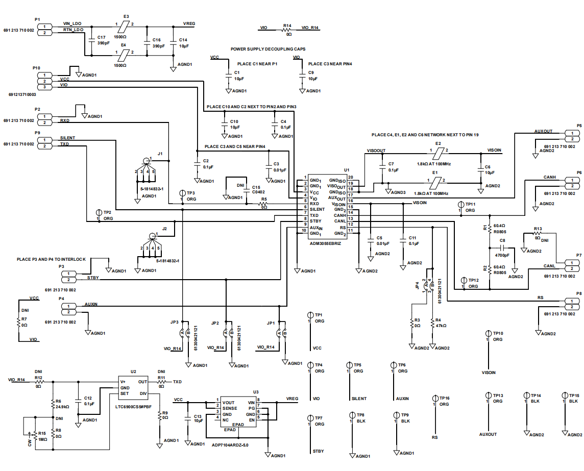
EVAL-ADM3055EEBZ允许用户评估ADM3055E和ADM3057E隔离信号和电源收发器,适用于控制器区域网络(CAN)或集成灵活数据速率(CAN FD)网络的CAN。EVAL-ADM3055EEBZ支持所有输入和输出功能,无需任何外部元件。 ADM3055E和ADM3057E采用ADI公司的iCoupler®技术,集成了逻辑侧开关键控(OOK)信号隔离通道和ADI公司的isoPower® DC/DC转换器,能够提供在带铁氧体的2层印刷电路板(PCB)上传输时远低于EN55022 B类限制的稳压隔离电源。 EVAL-ADM3055EEBZ配有ADM3055E。 ADM3055E和ADM3057E的完整规格参见ADI公司的ADM3055E和DM3057E数据手册。使用EVAL-ADM3055EEBZ时,必须同时参阅数据手册和本用户指南。 EVAL-ADM3055EEBZ为兼容型器件且可用于评估ADM3057E。ADM3055E和ADM3057E的封装和隔离能力有所不同,但两个器件具备相同的评估功能。
附件下载
UG-1372 EVAL-ADM3055EEBZ User Guide (Rev.A).pdf
评论
0 / 100
查看更多
